门徒平台BX43W二通保温旋塞阀简介:
BX43W二通保温旋塞阀是关闭件或柱塞形的旋转阀,通过旋转90度使阀塞上的通道口与阀体上的通道口相通或分开,实现开启或关闭的一种阀门。旋塞阀保温夹套焊装于阀门的两法兰之间,阀门的侧面、底部设置有保温夹套的两个连接口,两个连接口可以通蒸汽或导热油以便循环、从而达到对介质所需要的温度,防止介质结晶。旋塞阀广泛地应用于油田开采、输送和精练设备中,同时也广泛用于石油化工、化工、煤气、天然气、液化石油气、暖通行业以及一般工业中。
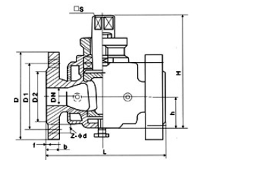
BX43W二通保温旋塞阀结构图:

BX43W二通保温旋塞阀工作原理:
它的阀塞的形状可成圆柱形或圆锥形。在圆柱形阀塞中,通道一般成矩形;而在锥形阀塞中,通道成梯形。这些形状使旋塞阀的结构变得轻巧。最适于作为切断和接通介质以及分流适用,但是依据适用的性质和密封面的耐冲蚀性,有时也可用于节流。
BX43W二通保温旋塞阀技术参数:
| 型号 | 公称压力 PN(MPa) | 试验压力PS(MPa) | 工作压力 P(MPa) | 适用介质 | 工作温度 (℃) | |
| 壳体 | 密封 | |||||
| BX43W.0P | 1.0 | 1.5 | 1.1 | 1.0 | 硝酸类等 | ≤250 |
| BX43W.0C | 1.0 | 1.5 | 1.1 | 1.0 | 非腐蚀、弱腐蚀 | ≤200 |
BX43W二通保温旋塞阀外形链接尺寸:
| 口径(DN) | L | D | D1 | D2 | z-φd | |
| 20 | 90 | 150 | 105 | 75 | 55 | 4╳14 |
| 25 | 110 | 160 | 115 | 85 | 65 | 4╳14 |
| 32 | 115 | 190 | 135 | 100 | 78 | 4╳18 |
| 40 | 150 | 200 | 145 | 110 | 85 | 4╳18 |
| 50 | 170 | 220 | 160 | 125 | 100 | 4╳18 |
| 65 | 220 | 280 | 180 | 145 | 120 | 4╳18 |
| 80 | 250 | 300 | 195 | 160 | 135 | 4╳18 |
| 100 | 300 | 340 | 215 | 180 | 155 | 8╳18 |
| 125 | 350 | 245 | 210 | 185 | 8╳18 | |
| 150 | 400 | 280 | 240 | 210 | 8╳23 | |
| 200 | 450 | 335 | 295 | 265 | 8╳23 | |
| 250 | 530 | 390 | 350 | 320 | 8╳23 | |
| 300 | 580 | 440 | 400 | 368 | 8╳23 | |



客服1